Features
◇ Flat structure and short stroke, suitable for handling workpiece with even surface.
◇ Split type fitting for suction cup, quick replacement of wearing parts, recyclable, significantly cost reduction.
◇ Heavy load design, suitable for handling heavy workpiece.
Applications
◇ Steel plate
◇ Wooden plate
◇ Heavy workpiece
| How to order | |||
| SH 40 N ① ② ③ | |||
| ① Series | ② Diameter | ③ Material & Hardness | |
| SH | 40 -φ40mm 50 -φ50mm 63 -φ63mm 80 -φ80mm 100 -φ100mm 125 -φ125mm | N - NBR WS - White silicone F - Fluorine rubber | |
| Technical parameters | |||
| Model | Pull-out force (N) | Inner volume (cm³) | Recommended tube diameter (mm) |
| SH40 | 56.0 | 4.0 | 8.0 |
| SH50 | 88.0 | 6.9 | 8.0 |
| SH63 | 140.0 | 11.5 | 8.0 |
| SH80 | 226.0 | 24.0 | 8.0 |
| SH100 | 353.0 | 55.0 | 10.0 |
| SH125 | 552.0 | 85.0 | 10.0 |
◇Note: Testing vacuum level -60kPa. Workpiece with smooth and clean surface. The data of pull-out force as above are
figured out without considering safety factor. The data may be different according to different workpiece surfaces.

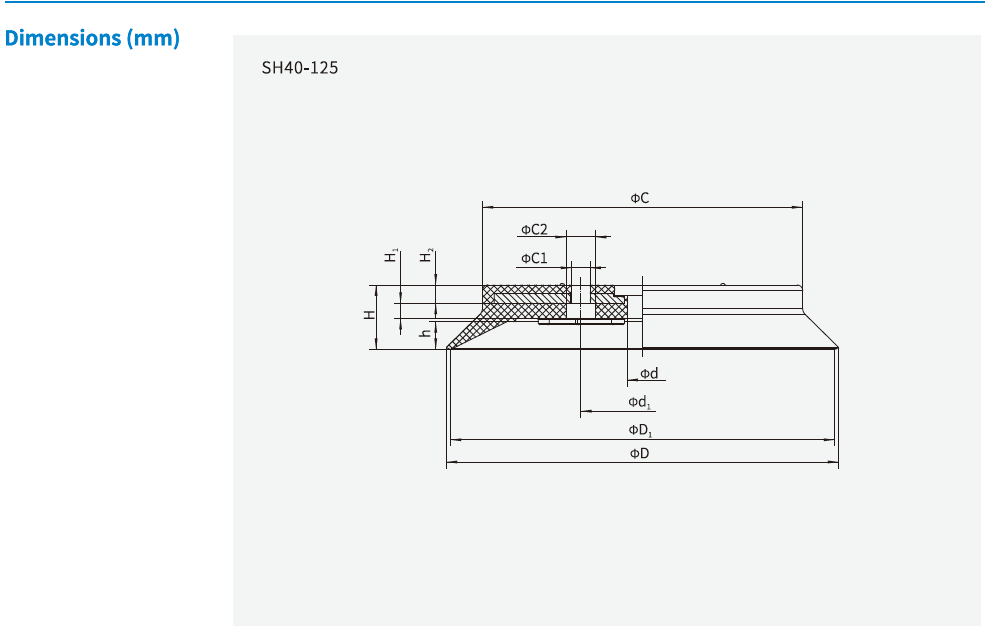
| Model/Size | D | D1 | d | d1 | H | H1 | H2 | h | C | C1 | C2 |
| SH40 | 42.0 | 40.0 | 6.0 | 18.0 | 11.5 | 3.5 | 3.5 | 3.5 | 32 | 3-ф4 | 3-ф6.5 |
| SH50 | 52.0 | 50.0 | 6.0 | 18.0 | 11.5 | 3.5 | 3.5 | 3.5 | 42 | 3-ф4 | 3-ф6.5 |
| SH63 | 65.0 | 63.0 | 8.0 | 34.0 | 14.5 | 4.5 | 4.5 | 3.5 | 51 | 4-ф5 | 4-ф8 |
| SH80 | 82.0 | 80.0 | 8.0 | 34.0 | 16.5 | 4.5 | 4.5 | 4.5 | 68 | 4-ф5 | 4-ф8 |
| SH100 | 103.0 | 100.0 | 10.0 | 40.0 | 21.0 | 5.0 | 6.0 | 7.5 | 80 | 4-ф6 | 4-ф9.5 |
| SH125 | 127.0 | 125.0 | 10.0 | 40.0 | 21.0 | 5.0 | 6.0 | 7.5 | 104 | 4-ф6 | 4-ф9.5 |